Small Tricks and Tips about Gearbox but cannot overlook

In the Industries where the Gearbox is required, the operation of Gearbox is the key to keeping machines run smoothly and in the most effective way. However, most of the people do not know where to start or even overlook the important of this.
In this article we will advise how to look after the Gearbox had not been used for a long time, Mechanical oil pump in Gear Reducer, the important role of Back Stop in cooling tower systems, important of installing a Vibration Sensor in Gearbox to ensure that your Gearbox will work efficiently and long-lasting.
The important of maintenance the Gearbox that not been used for a long time
The importance of maintenance the Gearbox that not been used for a long time will protect it from damage and to avoid the problem occur when we want to use it. In this article we will advise the 2 points that need to be considered :
- In case Gearbox had been stalled in Warehouse and has not yet been installed or used, to drained out the existing oil with Gearbox is necessary because that existing oil is added to lubricate the bearings and gears during the transportation. Therefore, it is not advisable to use it, adding new oil to the Gearbox almost full by leaving just about 1 inch of allowance in case of oil expansion.
However, in case the Gear that keeping in warehouse is Amarillo Gear II, the oil cannot fill in completely due to the oil will leak through the oil seal. So, you must notify to the manufacturer to add ** Vapor Phase Rust Inhibitor in to the oil in order that Vapors from this substance will help to protect the parts in the Gearbox that are not directly covered by oil and it also reduces the risk of rust and corrosive.
*Oil Expansion refers to the phenomenon in which oil changes volume when the temperature is increase. This will create the physical changes in the oil.
**Vapor Phase Rust Inhibitor is a chemical substance designed to prevent rush and corrosion in the metal parts, its works through the process of chemical evaporation in a closed environment

Picture 1 : Gearbox
- In case when the Gearbox is in the Cooling tower, the operation of Cooling tower is stop for a period of 3 months or more, it must drain out the old oil and remove the oil line and close with the plug. The reason to close the plug means using a device called Plug as shown in the picture below to close the oil outlet after that removes the oil line to prevent the oil or dirt from getting in or out. Regarding about filling the oil will use the same principal as Gearbox that keep in warehouse.

Picture 2 : Plug to close the oil line
Importantly : Before start using the Gearbox, please ensure to drain the old oil that has been added completely. Then add the new oil and inspect the oil line to ensure there is no blockages. After checking, reinstall the oil line in its original position. However, in the case of GEN II Gearbox that contains Vapor phase rust inhibitor, the oil must be completely drained and then filled with the new oil that does not contain Vapor phase rust inhibitor to the usable level. After that, use your hand to turn the gear to ensure that it is not stuck before starting use.
Installation of Vibration equipment with Gearbox
Vibration equipment refers to equipment that used to detect, measure, and analyze vibrations of objects or machines. There are many types of equipment that relate to vibration it depends on the application and vibration needs. In this topic we will talk about 2 devices: Vibration switch and Vibration sensor
- Vibration Switch. Many technicians install it at the bolt base plate gear, which in fact it is not advisable to do so because this installation point is close with the Mechanical support and it is quite strong. If there is vibration occurs it can lead to inaccurate measurement. The recommend installation point is near the Bearing on the side of *Drive End and ** Non-Drive End, which increase the accuracy in detecting vibration and helps to prevent problems that may occur with the machine because Bearing is a point of Rotates and deteriorates fastest.
* Drive End (drive side) is the side that is connected to the motor or power source used to drive the Gear Box and transmits power or torque from the motor to the gearbox.
** Non-Drive End (non-driven side) is the side that has no connection to the motor or power source. It is usually the side that used to support the gears and help in cooling the gearbox.

Picture 3: Vibration Switch
- Vibration sensor can be installed in many places such as
- Drilling into the body of the casing or the device cover is the device cover is a method used to directly install the sensor in the position where vibration is to be monitored
- Installing the sensor on a plate and then using epoxy to firmly attach it to the gear jacket is the method using when attaching place of sensor is at a location that is inconvenience for drilling

Picture 4 : Vibration Sensor
Mechanical oil pump in Gear reducer industrial
Mechanical oil pump is a device used to deliver and distribute lubrication oil inside machines or various mechanical systems by using mechanical force from the movement of various parts within the machine to operation.
The used of Mechanical oil pump in Gearbox depends on the usage but usually if a Gearbox is installed, many people will ask to add a Mechanical oil pump as well because most of the Gearbox used are multi-purpose gear types which is the gear that can be used in a variety of jobs, including being used in cooling tower as well.
Normally, the installation of Mechanical oil pump is installed when the motor has a speed lower than 450 rpm because if the speed is lower than 450 rpm it will cause the lubricating oil distribution system not working at full efficiency. Therefore, the Mechanical oil pump must be installed to smooth the operation.
However, the Amarillo Gear Drive is designed for use with the cooling tower only and an Oil Slinger is installed in it to distribute lubricating oil instead. Mechanical oil pump of Amarillos oil pump system is a bi-directional rotating system. It is specially designed to be able to rotate in reverse direction when the back stop is not installed.
Mechanical oil pump is essential in gearbox that require efficient lubrication and continuously while operating the machine but in some cases the gearbox having an efficient enough lubrication system mechanical oil pump may not be necessary.

Picture 5 : Installation location of Mechanical Oil Pump
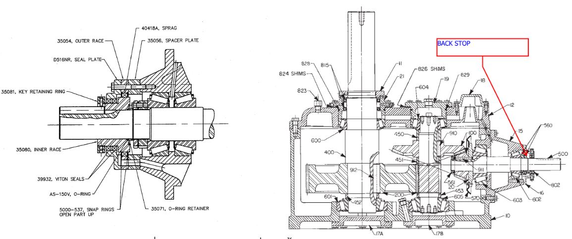
Backstop in cooling tower
Back stop or it can be called by many other names. Many people use to call it Non reverse, anti -windmilling device, anti-reverse, etc. It is the device which installed in the Cooling Towers transmission system to prevent the shaft from rotating in reverse direction or rotating in reverse which can occur when the wind reverses or when the machine stops working suddenly. There are many different forms of back stop. In this topic, we will talk about the back stop installation point, which can be divided into 2 points:
- Installed inside Gear Box inside the Input Shaft

Picture 6 : Back stop installed inside the Gear Box
- Installed outside the Gear Box

Picture 7 : Back stop installed outside the Gear Box
Normally the Fan Blade or Gearbox is designed to rotate in two directions: counterclockwise and clockwise but the problem that always arises is that when the cooling tower is stops working for maintenance or stop using it, there will be wind from other cooling towers that are still working make the fan blade rotates in its original direction without control. This will create the shock load when starting motor again. In order to help for better understanding the shock load is happen when starting the operation, the motor will try to rotate the fan blades in the direction it was designed but the fan blade will turn in the opposite direction. Therefore, when the motor tries to rotate the fan blades in the same direction but face with the reverse rotation force it will cause a surge force or shock load. This shock load can damage to the Gearbox, Fan Blades or other parts of the Cooling Tower if a Back Stop is not installed.
Therefore, installing a device called Back Stop will help to prevent the Fan Blades from turning in reverse direction when the wind blows in while starting the motor. So, this will not cause shock load and reduce damage that may occur. We have already recommended the all-important points to help extend the life and efficiency of operating the Cooling Tower System.
This article is just a little trick and tip that can make the operation of Gearbox more efficiently. So, please ensure to pay attention to this point not only reduces costs but it also helps the entire system work at the efficiency point. Just remember, prevention is better than cure. We sincerely hope that this article will be useful to the readers and follower.
If you have any questions about cooling tower or have an idea for our next article, please feel free to make suggestions and discuss via email at coolingexpert@innovek.co.th We give advice and answer your query without any charge. Yes, free of charge from the expertise of Cooling tower.
Last but not least if you like our articles and want to follow us and to ensure that you not miss our article, please follow us on
Facebook: Innovek Asia
ID LINE: @innovek
or you can click Follow and receive news in the bottom left corner of our website.


